间歇性凸轮分割器热线

0536-6178258

13406469766




线

盛峰间歇性分割器

当前位置:网站首页 > 新闻内容 > 法兰型350DF



分类

尊敬的访客:

你好!欢迎联系盛峰传动机械有限公司,我们将热心为您服务!我们常规的办公时间是周一至周六的早上9点到下午6点,如需在非办公时间与我们联系,请拨打下列手机。

13406469766/ 王经理

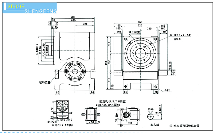
法兰型350DF

新闻内容
作者:admin   发布时间:2014/3/17 8:23:50   文章来源:本站   点击率:

上条信息:法兰型250DF
下条信息:平台桌面型80DT
诸城盛峰传动机械有限公司 @ 版权所有 部分素材来自网络,如若侵犯请电邮告知 百度地图 技术支持:三剑科技[三剑互联]

关注盛峰机械

  • 盛峰凸轮机械
  • 盛峰凸轮机械
  • 盛峰凸轮机械
扫一扫加微信
扫二维码在线咨询工程师
鲁ICP备2023008547号
咨询

电话

销售热线

13406469766

公司电话

0536-6178258

微信

扫一扫加微信

添加个人微信

邮箱

电子邮箱

wangshushan@126.com

回顶